基于CPLD的交通灯控制系统
2012-06-02
孙芹芝 张瑾 苏晓鹭
标签: 交通灯 CPLD

引言

EDA技术是用于电子产品设计中比较先进的技术,可以代替设计者完成电子系统设计中的大部分工作,而且可以直接从程序中修改错误及系统功能而不需要硬件电路的支持,既缩短了研发周期,又大大节约了成本,受到了电子工程师的青睐。

实现路口交通灯系统的控制方法很多,可以用标准逻辑器件、可编程序控制器PLC、单片机等方案来实现。但是这些控制方法的功能修改及调试都需要硬件电路的支持,在一定程度上增加了功能修改及系统调试的困难。因此,在设计中采用EDA技术,应用目前广泛应用的VHDL硬件电路描述语言,实现交通灯系统控制器的设计,利用MAXPLUSⅡ集成开发环境进行综合、仿真,并下载到CPLD可编程逻辑器件中,完成系统的控制作用。

交通灯系统控制器设计要求

路口交通灯控制系统与其他控制系统一样,划分为控制器和受控电路两部分。控制器使整个系统按设定的工作方式交替指挥车辆及行人的通行,并接收受控部分的反馈信号,决定其状态转换方向及输出信号,控制整个系统的工作过程。按照路口交通运行的实际情况,在本系统中,设定系统的工作情况如下。

路口交通灯控制系统的东西路有交通灯R(红)、Y(黄)、G(绿);东西人行安全通道灯:RXR(红)、RXG(绿)。南北路有交通灯:r1(红)、 y1(黄)、g1(绿);南北人行安全通道灯:rxr1(红)、rxg1(绿),所有灯均为高电平点亮。设置15s的通行时间和5s转换时间的变模定时电路,由预置输入整数cnt决定是模15还是模5,输入逻辑cx是用来决定计数到4时清零还是到14时清零。Clk是外部提供的基准秒脉冲信号。x0、 x1、x2、x3是由控制器输出的表示计数时间的四位二进制数。图1是该系统控制器的符号框图。

图1 系统控制器的符号框图

控制器的ASM图

根据系统设计要求,得到控制器的ASM图,如图2所示。在这里,所有输入信号均为高电平有效。该ASM图反映了交通灯系统的不同状态的转换过程及持续时间。

图2 控制器的ASM图

控制器的VHDL程序设计

根据所分析的系统的ASM图,结合系统的设计要求,用VHDL语言对各个模块进行编程,最后形成顶层文件,在MAX+PLUSⅡ环境下进行编译与仿真,检查所编程序是否运行正确。如果出现错误,需要进行修改,直到完全通过为止。需要说明的是,在进行程序编译时,要先从底层程序开始,所有底层程序都正确后,才能开始顶层程序的编译。这是因为顶层程序是对底层程序的概括,它是把底层程序各个模块连接起来,就相当于把每个模块的功能汇聚到一起,实现整个系统的控制功能,所以底层程序的正确与否,关系到顶层程序的运行结果。

在控制器的程序设计中,在定义结构体时,有两种程序设计方法均可以通过编译及仿真,但在进行时序分析时结果却不同。

(1)如果这样定义:

在进行程序调试时,均通过了编译及仿真,但在进行时序分析中,却出现了不按设定的计数顺序工作的结果:14, 13, 2,1, 0...。经过反复修改调试,对程序进行了修改,如(2)所定义的。

(2)

在这种设计方法中,多定义了一个信号变量,从而使得程序能按设定的状态14,13,12...进行转换。通过这个实例,可以看出EDA技术作为电子设计工具的功能修改及调试的方便快捷,即不需要硬件电路的支持就可以找到问题所在并进行修改,体现了它的优越性。

硬件电路实现

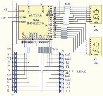
根据交通灯系统的控制要求,图3所示为本系统的硬件电路图。该电路包含了1 个CPLD芯片,2个七段LED数码显示器,20个分别表示各个方向上的红、黄、绿灯,以及相应的限流电阻。这个电路与其他控制方法相比,所用器件可以说是比较简单经济的。经过实验,实现了预定的交通灯系统的控制功能。

图3 系统硬件电路图

结束语

本文介绍了采用EDA进行交通灯系统控制器的设计实例。通过本设计可以看到,随着EDA技术的发展,在今后的电子产品的研发中,EDA技术具有更好的开发手段和性价比,具有广泛的市场应用前景。

可能会用到的工具/仪表
本站简介 | 意见建议 | 免责声明 | 版权声明 | 联系我们
CopyRight@2024-2039 嵌入式资源网
蜀ICP备2021025729号