多路电流变送器制作
2012-09-15
标签: 变送器

工厂企业在实施计算机控制时,不少运行设备的电机电流需要在微机显示屏上显示,电流变送器就是将电流互感器输出的0~5A交流电流变成4~20mA直流信号供计算机采样、读写,其直线方程为:Io=3.2A+4(mA).

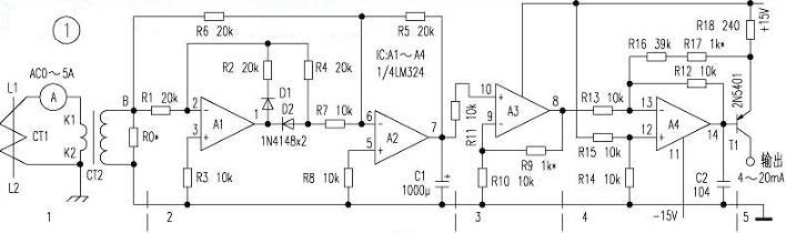
笔者制作的多路电流变送器已应用于生产中,现将其中任意一路原理(图1)介绍如下.图中"1"为隔离取样电路,CT1是次级为0~5A的电流互感器,其K2端接大地(设备外壳).由于计算机采样信号线端子与设备外壳存在一定的电位差,必须用CT2隔离.CT2可用0~50、0~75或0~100A等废旧电流表内的小型电流互感器代替,亦可自制,方法是先用Φ0.1mm漆包线在截面为8mm×9mm高硅片铁芯上绕3500匝作为次级,用Φ1.2mm漆包线绕6匝作为初级,R0为取样电阻,调整R0(约几百欧)使初级电流为0~5A时,B点对地(用数字万用表测量)应有0~5A交流电压即可.

 

初级电流可用调压变压器配50VA左右低压变压器获得,如图2.

 

"2"为运放组成的全波整流电路,优点是可以减少二极管压降和非线性影响.当B点处于正半周时,信号的一路从A1反相端输入,在A1①脚输出负半周波形,再经D2送入A2反相端,在A2⑦脚R5/R7=2倍的正半周波形,信号的另一路经R6从A2反相端输入,在⑦脚得到R5/R6=1倍的负电压,两种电压合成后在A2⑦脚仍为1倍之正电压;当B点处于负半周时,从A1①脚输出的正半周由于D2的存在不能通过,只能经R6进入A2反相输入端,并在A2⑦脚得到相同之正半周,两个正半周经C1滤波后得到平坦之直流电压.

"3"为比例放大器,理想情况是在A2⑦脚获得0~5A直流电,但由于运算放大器和电阻差异,⑦脚电压有两种情况:一是偏低,需通过A3稍作放大,调整R9,可得≥1倍的放大后电压;另一种情况是偏高,可通过增加分压电阻取得,见图3,此时取R9=0.

 

"4"为由A4组成的差分放大器,由于R15接15V,则A4输出V{14}=(1+R12/R13)[R15/(R14+R15)]×15-(R12/R13)V8,令R12~R15=10KΩ,则V{14}=15-V8,因为三极管T1的发射极和基极之电位差VEB=15-V{14},所以代入上式得VEB=V8.

"5"为恒流源,当使用同一电源而有几路电流变送器时,其制作必须考虑两种情况:

一是当计算机采样电路采用共阴极,即每组电流信号线中有一根是公共连线且接地时,可按图1制作,此时恒流管T1用PNP担任,其原理为当VCE有较高电压时,流过集电极电流基本取决于VBE之间电压,输出负载允许阻值为RCE/20MA=750Ω,而从变送器到微机采样之间导线阻值一般为几欧,对输出无影响,这就达到了恒流.恒流取样电阻R18=5V/20MA=250Ω,考虑到T1压降等因素采用240Ω,R17为负反馈电阻,调整R17使交流为零时,输出4MA起始电流.

二是当计算机采样电路采用共阳极,即每组信号有一根公共连线接正电压时,应按图4增加T2,此时将R18改为2.4KΩ,并增加R19=2.4KΩ,T1由电流型输出改为电压型经T2基极用NPN倒相后输出,R16亦应改为16KΩ.

 

可能会用到的工具/仪表
本站简介 | 意见建议 | 免责声明 | 版权声明 | 联系我们
CopyRight@2024-2039 嵌入式资源网
蜀ICP备2021025729号