电机驱动模块的电路设计与实现
2012-06-18
标签: 电机驱动

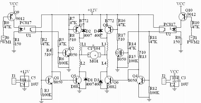
驱动电路采用H型桥式PWM脉宽调制驱动形式,如图3-1所示。电路主要由大功率三极管B772、D882、三极管8050和光电耦合器等元件组成。该驱动电路可控制电机的正转、反转和停止。与单片机的接口电路采用光电耦合器隔离。用单片机的I/O口控制驱动电路的两个控制端,当控制端PWM1为低电平,控制端PWM2为高电平时,左边的光电耦合器导通,右边的光电耦合器不导通,Q1、Q2、Q6、Q7全部深度饱和导通,而右边的Q3、Q4、Q5、Q8全部截止,由于Q6、Q7深度饱和导通,所以其Vceo只有约0.3伏,在驱动管上消耗的电压很小,此时电机正转。反之,当控制端PWM1为高电平,控制端PWM2为低电平时,电机反转。当控制端PWM1和PWM2同时为高电平或低电平时,电机停止。

图E-3-1H型桥式PWM脉宽调制驱动电路

由于电机平均功率满足如下关系:

其中, P为电机两端的平均功率; Pmax为电机全速运转时的功率; A为脉宽。可见,电机的平均功率与脉宽成正比。

设电机转动后的平均功率为: P=fv

则APmax=Af=fv

式中v=Avmax

其中, f为拉力, vmax为电机全速运转时的速度。

可见电机的转速与脉宽成正比。单片机发出的脉冲信号的占空比决定PWM放大器输出的电压平均值的大小。

电路部分参数的计算(以左支路为例进行分析):

H桥路设计的关键是要让四个功率管始终工作在饱和或者截止状态下,因此在电路设计时,在功率管(如Q7)前加一级三极管(如Q2)驱动,使得当Q7工作时能处在饱和状态,不工作时则处于截止状态。

当功率管Q7工作在深度饱和状态(Ic1=3A电流时),查得B772与D882的电流放大倍数β1≈100 ,此时其基极电流:

因此驱动三极管Q2只需要提供30mA的电流,由于Q2的放大倍数 β2≈100 ,Q2的基极电流:

由于光电耦合器导通时,接收管的导通电流有50mA 0.3mA,足以使Q2深度饱和。而当Q2不工作时,其Iceo很小,足以使Q7截止。在重负载导通时,功率管7c-e间的电压只有0.2V,即三极管处于深度饱和状态,故该电路的实际效率很高。同理,右支路的参数分析以及工作状态与左支路相同。

可能会用到的工具/仪表
本站简介 | 意见建议 | 免责声明 | 版权声明 | 联系我们
CopyRight@2024-2039 嵌入式资源网
蜀ICP备2021025729号