单片机复位电路的可靠性设计
2012-07-26
标签: 复位电路

一、概述

影响单片机系统运行稳定性的因素可大体分为外因和内因两部分:

1、外因

射频干扰,它是以空间电磁场的形式传递 在机器内部的导体(引线或零件引脚)感生出相应的干扰,可通过电磁屏蔽和合理的布线/器件布局衰减该类干扰;

电源线或电源内部产生的干扰,它是通过电源线或电源内的部件耦合或直接传导,可通过电源滤波、隔离等措施来衰减该类干扰。

2、内因

振荡源的稳定性,主要由起振时间 频率稳定度和占空比稳定度决定 起振时间可由电路参数整定 稳定度受振荡器类型 温度和电压等参数影响复位电路的可靠性。

二、复位电路的可靠性设计

1、基本复位电路

复位电路的基本功能是:系统上电时提供复位信号,直至系统电源稳定后,撤销复位信号。为可靠起见,电源稳定后还要经一定的延时才撤销复位信号,以防电源开关或电源插头分-合过程中引起的抖动而影响复位。图1所示的RC复位电路可以实现上述基本功能,图3为其输入-输出特性。但解决不了电源毛刺(A 点)和电源缓慢下降(电池电压不足)等问题 而且调整 RC 常数改变延时会令驱动能力变差。左边的电路为高电平复位有效右边为低电平 Sm为手动复位开关Ch可避免高频谐波对电路的干扰

图1RC复位电路

图2所示的复位电路增加了二极管,在电源电压瞬间下降时使电容迅速放电,一定宽度的电源毛刺也可令系统可靠复位。 图3所示复位电路输入输出特性图的下半部分是其特性,可与上半部比较增加放电回路的效果

图2增加放电回路的RC复位电路

使用比较电路,不但可以解决电源毛刺造成系统不稳定,而且电源缓慢下降也能可靠复位。图4 是一个实例 当 VCC x (R1/(R1+R2) ) = 0.7V时,Q1截止使系统复位。Q1的放大作用也能改善电路的负载特性,但跳变门槛电压 Vt 受 VCC 影响是该电路的突出缺点,使用稳压二极管可使 Vt 基本不受VCC影响。见图5,当VCC低于Vt(Vz+0.7V)时电路令系统复位。

图3RC复位电路输入-输出特性

图4带电压监控功能的复位电路

图5稳定门槛电压

图6实用的复位监控电路

在此基础上,增加延时电容和放电二极管构成性能优良的复位电路,如图6所示。调节C1可调整延时时间,调节R1可调整负载特性,如图7所示上半部分是图5电路的特性,下半部分对应图6。

图7带电压监控功能的复位电路的输入-输出特性

2、电源监控电路

上述的带电压监控的复位电路又叫电源监控电路 监控电路必须具备如下功能:

上电复位

,保障上电时能正确地启动系统;

掉电复位

,当电源失效或电压降到某一电压值以下时,复位系统;

市面上有类似的集成产品,如PHILIPS半导体公司生产的MAX809、MAX810。此类产品体积小、功耗低,而且可选门槛电压。可保障系统在不同的异常条件下可靠地复位,防止系统失控。图8中的Rm和Sm实现手动复位 无需该功能时可把Reset端(或/Reset)端 直接与单片机的RST端(或/RST端)相连 最大限度地简化外围电路 也可选择PHILIPS半导体公司带手动复位功能的产品MAX708。

图8集成复位监控电路

此外,MAX708还可以监视第二个电源信号,为处理器提供电压跌落的预警功能,利用此功能,系统可在电源跌落时到复位前执行某些安全操作,保存参数,发送警报信号或切换后备电池等。图9电表的应用实例 利用MAX708 电表可在电源毛刺或停电前把当前电度数保存到E2PROM中 再配合保存多个电度数备份算法,可有效解决令工程师头疼E2PROM中的电度数掉失问题使用该电路必须选择适当的预警电压点,以保证靠电源的储能供电情况下,VCC电压从预警电压跌到复位电压的维持时间(tB)必须足够长 E2PROM的写周期约为10-20ms 一般取tB>200ms就可确保数据稳定写入。预警电压调整方法 当VDC等于预警电压时调整R1和R2使PFI的电压为1.25V 此时可检测/PFO来确认内部的电压比较器是否动作,调整时必须注意此比较器是窗口比较器。 图10是该应用的程序流程图

图9MAX708的典型应用

图10. 电表应用中E2PROM数据保护程序流程图

3.多功能电源监控电路

除上电复位和掉电复位外,很多监控电路集成了系统所需的功能,如:

电源测控,供电电压出现异常时提供预警指示或中断请求信号,方便系统实现异常处理;

数据保护,当电源或系统工作异常时,对数据进行必要的保护,如写保护、数据备份或切换后备电池;

看门狗定时器,当系统程序“跑飞”或“死锁”时,复位系统;

其它的功能,如温度测控、短路测试等等。

我们把其称作多功能电源监控电路。下面介绍两款特别适合在工控、安防、金融行业中广泛应用多功能的监控电路:

Catalyst 公司的 CAT1161 是一个集成了开门狗、电压监控和复位电路的 16K 位 E2PROM(I2C 接口)不但集成度高、功耗低(E2PROM部分静态时真正实现零功耗)而且清看门狗是通过改变SDA的电平实现的,节省系统I/O 资源,其门槛电压可通过编程器修改,该修改范围覆盖绝大多数应用。当电源下降到门槛电压以下时 硬件禁止访问 E2PROM 确保数据安全。

使用时注意的是 RST,/RST 引脚是 I/O 脚,CAT1161 检测到两引脚中任何一个电压异常都会产生复位信号,与 RST /RST 引脚相连的下拉电阻 R2 和上拉电阻 R1 必须同时连接,否则CAT1161将不断产生复位!同样不需要手动复位功能时可节省Rm和Sm两个元件。

图11.内置WDT RESET /RESET E PROM监控器件接口电路

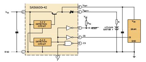
PHILIPS 公司的 SA56600-42 被设计用在电源电压降低或断电时作保护微电脑系统中SRAM 的数据。当电源电压下降到通常值 4.2V 时,输出 CS 变为逻辑低电平,把 CE 也拉低,从而禁止对 SRAM 的操作。同时,产生一个低电平有效的复位信号,供系统使用,如果电源电压继续下降,到达通常值 3.3V或更低时,SA56600-42切换系统操作,从主电源供电切换到后备锂电池供电,当主电源恢复正常(电压上升至3.3V或更高时)将SRAM的供电电源将由后备锂电池切换回主电源,当主电源上升至大于典型值4.2V 时 输出 CS 变为逻辑高电平,使 CE 变为高电平,使能 SRAM 的操作,复位信号一直持续到系统恢复正常操作为止。在系统电源电压不足或突然断电的时候,这个器件能可靠地保护系统在SRAM内的数据。

图12.内置SRAM数据保护电路的监控器件SA56600-42的典型应用

4. ARM 单片机的复位电路设计

无论在移动电话 高端手持仪器还是嵌入式系统,32 位单片机 ARM 占据越来越多的份额,ARM 已成为事实的高端产品工业标准。由于 ARM 高速、低功耗、低工作电压导致其噪声容限低 这是对数字电路极限的挑战,对电源的纹波、瞬态响应性能、时钟源的稳定度、电源监控可靠性等诸多方面也提出了更高的要求。ARM监控技术是复杂并且非常重要的。

分立元件实现的监控电路,受温度、湿度、压力等外界的影响大而且对不同元件影响不一致 较大板面积,过多过长的引脚容易引入射频干扰,功耗大也是很多应用难以接受,而集成电路能很好的解决此类问题。目前也有不少微处理器中集成监控电路,处于制造成本和工艺技术原因,此类监控电路大多数是用低电压CMOS工艺实现的,比起用高电压、高线性度的双极工艺制造的专用监控电路 性能还有一段差距。

结论是:使用 ARM而不用专用监控电路,可能导致得不偿失,经验也告诉我们使用专用监控电路可以避免很多离奇古怪的问题。ARM的应用工程师,切记少走弯路!

图13.用PHILIPS MAX708实现的ARM复位电路

图13 是实用可靠的 ARM 复位电路。ARM 内核的工作电压较低。R1 可保证电压低于 MAX708 的工作电源还能可靠复位。其中 TRST 信号是给 JTAG 接口用的。使用 HC125 可实现多种复位源对 ARM 复位,如通过PC机串口或JTAG接口复位ARM。


可能会用到的工具/仪表
相关文章
推荐文章
热门文章
章节目录
本站简介 | 意见建议 | 免责声明 | 版权声明 | 联系我们
CopyRight@2024-2039 嵌入式资源网
蜀ICP备2021025729号