测温铂电阻的实用数学模型及电路实现
2012-10-09
郑建国 杨谷田
标签: 铂电阻

摘要:分析了铂电阻测温应解决的问题,根据其常用的温度-电阻表达式提出了一种实用的数学模型,运用数学原理对其测温电路进行了探讨,给出了一种简洁的实用电路及其实验结论。

一、概述

铂电阻是一种在工业领域应用极广泛的温度传感器。它具有一些优良的性能。但是, 在由铂电阻作温度传感器的温度检测系统中, 也有一些固有的比较棘手的问题需要认真解决,主要可归纳如下:

  • 铂电阻的温度-阻值间具有明显的非线性,随着温度的升高,其灵敏度逐渐变小。
  • 实际使用中, 工作现场与测控室一般都有相当距离,铂电阻长引线带来的影响不容忽视,必须解决长引线电阻造成误差的自动外偿。
  • 铂电阻温度计的温度系数较小, 故在使用中必须有一个高稳定度、高精度的放大电路,来提高测量系统的分辨能力。

这里介绍笔者实践过的一种铂电阻温度数字化测量设计电路,它较有效地解决了上述诸问题,克服了铂电阻的局限性,且线路较其它同类型仪表更简单,成本更低廉。

二、数字模型的建立及电路实现

1、铂电阻测温非线性的校正措施

铂电阻具有随被测量温度的上升其灵敏度随之下降的特性。在正温区其阻值—温度关系可用下式描述:

Rt = R0 (1 + A t + Bt2)(1)

也可表述为

ΔRt = A t + Bt2(2)

上两式中, Rt 、R0 分别为t 与0 ℃时铂电阻值; A 、B 为常数,且B 为负值;ΔRt 为铂电阻阻值随温度的变化量,即ΔRt = Rt - R0 。

虽然从表达式上看可直接对铂电阻测温非线性进行校正,但在工程上却难以实现。为此提出一种具有分式结构的函数式对式(2) 进行拟合:

式(3) 即为本文提出的具有实用价值的铂电阻测温数学模型。

应该指出,式(3) 对式(2) 的拟合是有一定误差的,其拟合精度由待定系数K1 、K2 决定。对式(3) 按马克劳林级数展开,得到:

将上式化简整理有:

比较式(5) 与式(2) ,令对应系数项相等,有

K1 = A(6)

K2 = - B/ A(7)

式(4) 与式( 5) 中省略了三次以上高次项, 这些高次项即是式(3) 对式(2) 拟合的误差源。进一步地数学推导还可以证明,式(3) 对式(2) 的拟合误差在0.1 ℃以内。

以上提出和分析了铂电阻测温数学模型,我们只需要设计测量电路,使其输出与式(3) 数学模型中的自变量t保持线性关系,即可认为实现了对式(2) 关系的测量。

2、 测温电路分析及推导

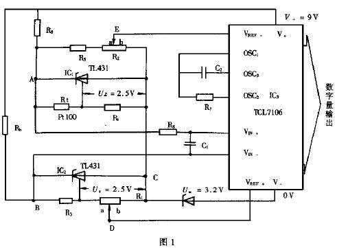
本文在线路设计上, 是通过巧妙利用A/ D 转换器的转换特性来实现铂电阻的非线性校正的。在图1 所示原理电路中,A/ D 转换器采用通用型

芯片ICL7106 ,其转换关系为:

式中, UIN 、UREF分别为A/ D 转换器的模拟输入电压与参考电压; C 为转换系数; S 为输出数字量。设计线路中还巧妙利用了两只三端精密可调稳压器件TL431。这里并不利用它产生稳定电压,而是利用其特性进行R/ U 转换。根据其特性可得到如下关系式:

因此有:

为了进行零点迁移,即为使0 ℃时电路输出为零, 必须

令 

则有

可见,这时A/ D 转换器的模拟输入电压与铂电阻随温度的变化量ΔRt 成正比。根据同样道理可分析出:

上式经简单变换化简可得到如下形式:

UREF = M - N·ΔRt(15)

其中, M 、N 分别为由式(14) 中常系数所确定的常量。

联立式(8) 、(13) 、(15) 可得:

将式(3) 代入式(16) ,即可得到完整的输入输出关系式:

令: MK2 = NK1(18)

则有

由此可见,当电路能满足式(15) 所表征的函数关系时,能获得理想的线性输出结果。式(19) 中, 合理选取各系数项,就可以直读实际温度。

三、引线电阻温度误差的消除

为了减小铂电阻传输线引线电阻随温度变化而引起的测量误差, 设计电路中采用了四线制接线方式。实际应用中应保证四芯线为同芯传输线, 以使其各线随温度的变化量基本相等。图2 为其具体接线图。其中2 、3 号线由于对应输入电阻很大, 故其微小的阻值变化产生的影响可忽略不计。1 、4 号线阻值变化产生的影响可相互补偿。

四、实验结果及结束语

采用本文介绍的铂电阻测温电路, 经笔者初步测试,非线性误差可做到小于0.5 % , 具体实验结果见表1 。能满足较高精度使用要求。另外,由于本电路所用元器件很少, 也没有采用价格较贵的高指标运算放大器,故具有可靠性高,造价低廉,实用性强的优点。

可能会用到的工具/仪表
本站简介 | 意见建议 | 免责声明 | 版权声明 | 联系我们
CopyRight@2024-2039 嵌入式资源网
蜀ICP备2021025729号