鸡舍自动补光灯电路
2012-09-24

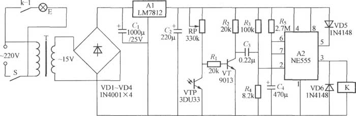
给母鸡提供足够的光照可以提高产蛋率,由于冬季日照时间缩短,所以养鸡专业户一般采用人工开灯的方法为鸡舍补光。采用如图所示电路则能实现自动补光,当夜幕来临时会自动开灯补光约2h,然后熄灭,即将日照时间延长2h左右。T采用220V/15V、8VA小型优质电源变压器;K用JZC-22F、DC12V小型***率电磁继电器。

可能会用到的工具/仪表
本站简介 | 意见建议 | 免责声明 | 版权声明 | 联系我们
CopyRight@2024-2039 嵌入式资源网
蜀ICP备2021025729号