首页· 导航
在线工具
嵌入式系统
电子电路
硬件设计
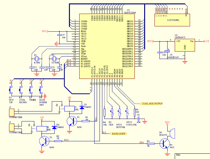
安吉尔饮水机,三星57C2304,带LCD显示
2012-08-30
标签:
饮水机
可能会用到的工具/仪表
相关文章
饮水机电路图(1)
饮水机电路图(2)
饮水机电路图(3)
安吉尔饮水机,三星57C2304,带LC ..
推荐文章
一款高温报警电路
2024年11月13日
73
可燃气体全自动点火器
2012年09月22日
72
LED参数与特性
2012年09月18日
114
RC振荡电路的几种接法
2012年09月10日
216
MAX764极性反转电路
2012年08月24日
44
实用恒流充电器
2012年08月18日
167
电子催眠器制作
2012年08月15日
63
多普勒自动电子开关
2012年08月02日
71
热门文章
常用物质金属非金属的电阻率、导电率明细表
2024年11月23日
3197
自制微型交流电焊机
2012年07月14日
1137
声光控延时开关的制作
2024年07月06日
832
用LM1875替找TDA2030
2012年09月15日
774
6N3+LM4780功放制作
2012年09月13日
651
小型太阳能供电板的制作
2012年09月08日
644
简单的逆变器电路
2012年07月08日
556
1000米晶体稳频FM立体声发射机
2012年07月22日
495
章节目录
本站简介
|
意见建议
|
免责声明
|
版权声明
|
联系我们
CopyRight@2024-2039 嵌入式资源网
蜀ICP备2021025729号