高品质虚拟环绕声多媒体有源音箱电路分析
2012-12-04
标签:

1 有源音箱的硬件电路设计

虚拟环绕声多媒体音箱采用如下方案,即一对全频带卫星音箱加上一个重低音音箱。这种方案可以把箱体做得较小,不占用桌面空间,由于重低音方向性不强,重低音音箱可以摆放在任意地方,重低音音箱也可以做得较大以增强低音效果,并有足够的空间来配置其所需要的电路。有源音箱的基本组成框图如图1所示。

图1 有源音箱电路组成框图

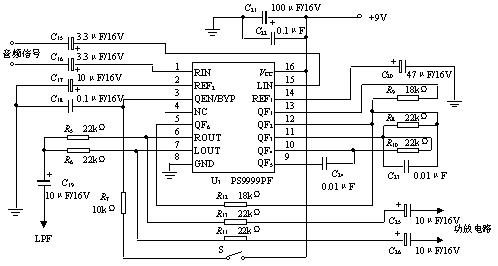
1.1 虚拟环绕声处理电路

虚拟环绕声处理电路采用PS9999芯片,该芯片利用Qsound实验室开发并专有的QsurroundTM技术,是可对经过杜比环绕声编码或者其它矩阵编码的立体声声源进行解码并虚拟两声道输出的音频处理器,能对输入信号进行自动识别处理。PS9999芯片主要特点如下:

1.如果是普通的立体声信号输入,它可自动产生一个效果增强的3D立体声信号。

2.如果输入信号包含经过杜比环绕声编码或者其它矩阵编码的环绕声信号,它可自动将之解码并产生虚拟环绕声,通过两个音箱播放,即可得到多声道环绕声效果。

3.PS9999具备直通功能。

虚拟环绕声处理电路如图2所示。音频输入信号通过C15、C16输入进行信号处理后由PS9999的6、7脚输出,通过C25、C26送至功放电路。R5、R6、C19抽取左、右叠加信号送给有源低通滤波器电路,提取重低音信号。开关S为直通、虚拟环绕声处理选择开关,开关S闭合时为虚拟环绕声处理状态,开关S断开时为直通状态。

图2 虚拟环绕声处理电路

1.2 有源低通滤波器

有源低通滤波器的好坏直接影响重低音音箱的音响效果。为此,采用了由NE5532组成的12 dB/倍频程巴特沃兹二阶有源低通滤波器,如图3所示。图中R1、R2、C1、C2的取值决定了有源低通滤波器转折频率fp的频率点,为了计算方便令R= R1 = R2=10kΩ,当等效品质因数Q为时,C1和C2的取值可以按式(1)、式(2)计算。

C1=1.414/(2πfpR) (1)

C2=0.707/(2πfpR) (2)

取转折频率fp为230Hz,由式(1)、式(2)计算得到C1=0.097μF,C2=0.048μF,取最接近的标称电容值C1=0.1μF,C2=0.047μF。

图3 有源低通滤波器

1.3 功率放大、音量调节电路

功率放大、音量调节电路如图4所示。功率放大芯片采用了ST公司的TDA7370B功率放大器,能够提供5W×4或20W×2输出功率,且具有过压、过载、高温保护、开关机延时静音功能以及外围电路简单、所用元器件少等特点。图4中左、右声道功率放大是OTL连接,其输出功率为5W×2。超重低音的功率放大是按BTL连接,其输出功率为20W。由TDA7370B功率放大芯片组成的虚拟环绕声多媒体有源音箱失真小、左右声道音色柔和圆润,重低音动态范围大、瞬间抗冲击能力强,可提供强劲的低音效果和很大的动态范围。

为了提高整套系统的信噪比,又降低成本,因此音量调节电路采用了模拟电位器。主音量(RT1、RT2)和重低音音量(RT3)分别调节。可根据个人爱好或输入音源的不同,适当调节主音量的大小和重低音提升度,使系统达到理想的视听效果。

经实际测试该有源音箱的信噪比为65dB,动态范围为60dB,满功率输出的总失真小于1%。

图4 功放及音量调节电路

采用这样一套电路组成的虚拟环绕声多媒体有源音箱,电路简单,效果很好。既可以通过电脑欣赏高保真的音乐,还可以在玩电脑游戏时,对游戏的背景音乐进行效果增强的3D处理,让人有一种身临其境的感觉;还可以在播放影碟时,享受到多声道环绕声的效果,具有很好的临场感和定位感。

可能会用到的工具/仪表
相关文章
推荐文章
热门文章
章节目录
本站简介 | 意见建议 | 免责声明 | 版权声明 | 联系我们
CopyRight@2024-2039 嵌入式资源网
蜀ICP备2021025729号