简易线圈匝间短路测试器
2012-06-02
张新安
标签:

使用555集成定时器。加少量的外围元件,可做成简单、实用的线圈匝间短路测试器。利用它能简单、准确地测定行输出变压器、开关变压器、行推动变压器和偏转组件的线圈是否存在匝间短路。

一、电路结构

555电路是一块功能强大,使用灵活,应用广泛的集成电路。采用8脚双列直插结构。在3~18V内均可正常工作。

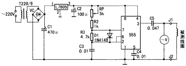
用555电路制作的线圈匝间短路测试器的电原理图如附图所示。555电路与外接元件构成多谐振荡器。方波脉中由③脚经C5耦合输出。

测试器可安装在一个体积为65×50×40mm。的直流电源塑料盒中。体积小巧。使用方便。交流电压表用电冰箱延时稳压器上常用的微形交流电压表改装而成:改装时分别刮去原字面上100、200、300三个数字最后面的一个0。将原来的整流二极管1N4007换成高频整流二极管。接入已知的30V、50Hz的交流电压。适当减小并调整原分压电阻的大小,使指针指在30V刻度线上即可。

图1中的定时电容C3和输出耦合电容C5要选用高频特性好的高频瓷片电容或薄膜电容。输出端J1、J2接两根带鳄鱼夹的软导线。

二、使用方法

测试器空载时。交流电压表的示数约为1V。用示波器测量输出端为5Vpp的方波脉冲,调节RP。方波脉冲的频率可在12.5~25kHz之间变化。

测试时,测试器的两个输出端J1、J2分别接被测电感的两端。被测线圈的电感L与输出耦合电容C5组成串联电路。调节RP,当输出方波脉冲的频率等于LC串联电路的固有频率时,电压表的示数最大。如果被测线圈的电感量较大(如彩色电视机的“FBT”初级线圈的电感为3.26mH),绕组无匝间短路时。电压表的示数可达30V。若用示波器测量线圈两端为一幅度为80Vpp。周期为80us(频率为12.5kHz)的正弦波。如果被测线圈的电感量较小(如行推动变压器的次级线圈为0.427mH),电压表的最大示数为16V。用示波器测量为35Vpp周期为30 us的正弦波。

当被测线圈存在匝间短路时,线圈的Q值大幅度下降,这时电压表的示数会大大减小。

1 行输出变压器(FBT)的检测

(1) 独立检测:将待测“FBT”从电路板上焊下来,对于彩色电视机或彩色显示器的“FBT” ,将测试器的两输端接“FBT”的初级绕组(+B端与C端)。若为黑白电视机的“FBT”接升压电容和阻尼二极管连接端,调节RP使电压表的示数UL最大。无匝间短路的“FBT”。电压表的示数一般在20V~30V之间。用导线在“FBT”的磁芯上穿绕一匝,将两端连通,做成一匝短路环,这时电压表的示数Uo下降到2V左右。

无匝间短路的“FBT”,UL/Uo>8,内部存在匝间短路的“FBT”。UL大大减小,UL/Uo<3,短路越严重,UL的值越小。由于无匝间短路的“FBT”与存在匝间短路的“FBT”电压表的示数相差很大。利用该测试器可准确地判定“FBT”是否存在匝间短路。

(2)在路检测:“FBT”安装在电路板上时。由于初次级绕组均接有外围元件,可拔掉偏转线圈插头和显像管尾板,减小外围元器件对测量结果的影响。在路检测时,电压表的示数一般大于15V,但在路测得UL很小时,有可能是外围元件短路引起的。还需从电板上焊下“FBT”进行独立检测,以防误判。

2.开关变压器的检测

(1)独立检测:将开关变压器脱离电路板,测试器的输出端接开关变压器的初级绕组(300V端和C端),调节RP使UL最大,不同型号的开关变压器,电压表的示数一般在20~30V之间,在线圈上穿绕一匝短路环时,Uo约为3V,UL/Uo>6。内部存在匝间短路的开关变压器,UL的值很小,且匝间短路越严重时,UL的值越小。当穿绕一匝短路环时,电压表的示数下降得很小,UL/Uo<2。

(2)在路检测:由于初级绕组所接阻尼元件和各次级绕组所接外围元件的影响,不同机芯所测得的UL值相差很大。为减小误差,可用吸锡器将初级绕组一只引脚的锡吸干净或用针管将引脚与电路板分开。再进行检测。若测得的UL很小,有可能是外围元件引起的,还需进行独立检测。

3 行推动变压器的检测

将行推动变压器从电路板上焊下来,测试器的输出端接行推动变压器的次级绕组,调节RP使UL最大,无匝间短路的行推动变压器。电压表的示数一般在16V左右,穿绕一匝短路环时,Uo一般在2V左右。UL/Uo>6。匝间短路的行推动变压器,UL的值小得多,穿绕一匝短路环时,电压表的示数下降得也很小,且匝间短路越严重,UL 的值越小。

用硅钢片做磁芯的行推动变压器,其UL和Uo都很小,不能用此测试器来检测判定。

4 行偏转线圈的检测

将偏转线圈的插头从电路板上取下来,测试器的输出端接行偏转线圈的输入端,调节RP使UL最大。无匝间短路的行偏转线圈的UL一般在22V左右。如果测得的UL较小,可再将行偏转线圈的两个绕组分开,分别检测它们的UL值,无匝间短路的行偏转线圈,两个UL值近似相等,如果两者相差较大。则行偏转线圈内存在匝间短路。还可进一步将行偏转线圈从显象管上取下来,紧贴行偏转线圈做一短路环,检测Uo,无匝间短路的行偏转线圈Uo一般在16V左右。由于行偏转线圈的绕组之间采用松耦合,无匝间短路的行偏转线圈,UL/Uo>1.3,匝间存在短路的行偏转线圈UL/Uo>1.2。

三、对检测结果的说明

对于不同的电感线圈,由于L、Q及绕组之间的耦合度不同,用该线圈匝间短路测试器测得的UL和Uo离散性较大。对于行输出变压器、开关变压器和行推动变压器这类电感量较大,Q值高和线圈之间采用紧耦合的电感线圈,由于UL/Uo>6,可简单、准确地判定绕组是否存在匝间短路。对于行偏转线圈这类绕组间采用松耦合的电感线圈,无匝间短路的行偏转线圈UL/Uo<1.3,而存在匝间短路的行偏线圈UL/Uo<1.2。只要在平时的检测中注意积累经验,也能较准确地判定被测线圈是否存在匝间短路。

由于上述电感线圈都可独立或在路机器不通电的情况下进行检测。因此使用该线圈匝间短路测试器测量电感线圈是否存在匝间短路,不仅简单、准确、而且安全。

可能会用到的工具/仪表
相关文章
推荐文章
热门文章
章节目录
本站简介 | 意见建议 | 免责声明 | 版权声明 | 联系我们
CopyRight@2024-2039 嵌入式资源网
蜀ICP备2021025729号