首页· 导航
在线工具
嵌入式系统
电子电路
PCB技术
电路
单片机
电源
电子
驱动
开关
PCB
linux
fpga
开关电源
功放
USB
嵌入式系统
protel
LED
嵌入式Linux下
驱动
STN LCD
2012-06-02
10
伴随着高性能嵌入式处理器的飞速发展与普及,特别是ARM处理器系列的出现,嵌入式系统的功能也变得越来越强大。以前的单色LCD已不能满足现今的各种多媒体应用,彩色LCD被越来越多地应用到嵌入式系统中。同时,在应用需求的促使下,许多工作在Linux下的图形界面软件包的开发和移植工作中都涉及到底层LCD
驱动
的开发问题。 在 .. [
查看全文
]
基于CH375的LPT-USB打印机
驱动
器的设计
2012-06-02
王小芳 郑宽磊 强伟
10
1 引言 本课题来源于北京普析通用公司。由于该公司现有光谱仪器的单机版(如1810和T6等)采用的是并行口打印技术,而随着USB打印机技术的逐渐普及,并行口打印机越来越少,有些用户原有的打印机只是USB接口而非并行口,因此现有仪器对打印机的支持不能适应用户需要。为了使该公司的并行口仪器直接和USB打印机相连,笔者设 .. [
查看全文
]
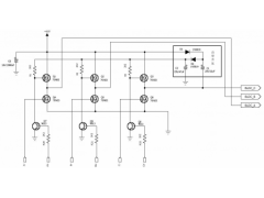
用电池组
驱动
七个白光LED的电路
2012-06-02
15
为
驱动
一个以上的高亮度白光LED,设计工程师需要选择是串联连接LED或是并联连接LED。当然,每种连接方式都会给设计带来折衷。 并联连接只需在每个LED两端施加较低的电压,但需要利用镇流电阻或电流源来保证每个LED的亮度一致。如果流过每个LED的偏置电流大小不同,则它们的亮度也不同,从而导致整个光源亮度不均匀。然 .. [
查看全文
]
嵌入式Linux下基于PCMCIA接口的键盘
驱动
的实现
2012-06-02
7
1 引言 嵌入式系统是在有限的资源及有限的体积中运行的、高效地实现某种特殊功能的功能集合,常常要面对较弱的CPU处理能力、少量的电力消耗、有限的内存空间、非常小的体积、简洁特定的用户操作界面。它的目的是在设计时限定好的资源中来实现用户需要的功能。 PowerPC823是Motorola公司的PowerQUICC系列嵌入式通信处理器 .. [
查看全文
]
Linux下PCI设备
驱动
开发
2012-06-02
13
PCI总线不仅是目前应用广泛的计算机总线标准,而且是一种兼容性最强、功能最全的计算机总线。而Linux作为一种新的操作系统,其发展前景是无法估量的,同时也为PCI总线与各种新型设备互连成为可能。由于Linux源码开放,因此给连接到PCI总线上的任何设备编写
驱动
程序变得相对容易。本文介绍如何编译Linux下的PCI
驱动
程序,针 .. [
查看全文
]
ARM S3C2410
驱动
TFT-LCD的研究
2012-06-02
张义磊
14
摘要:介绍了S3C2410的LCD控制器的数据和控制管脚,并给出了LCD的控制流程和TFT-LCD的控制器设置规则。参照TFT-LCD CJM10C0101的逻辑要求和时序要求设计了其
驱动
电路,设置了各主要LCD寄存器。开发了CJM10C0101在嵌入式LINUX下的显示
驱动
程序,并在CJM10C0101上显示了清晰稳定的画面。实验表明这套装置通用性好 .. [
查看全文
]
51单片机RTL8019AS网卡
驱动
程序
2012-06-02
12
我的SNMP网管板使用了RTL8019AS 10M ISA网卡芯片接入以太网。选它的好处是:NE2000兼容,软件移植性好;接口简单不用转换芯片如PCI-ISA桥;价格便宜2.1$/片(我的购入价为22元RMB/片);带宽充裕(针对51);较长一段时间内不会停产。8019有3种配置模式:跳线方式、即插即用P&P方式、串行Flash配置方式。为了节 .. [
查看全文
]
EasyDriver步进电机
驱动
器
2012-06-02
翻译:左旋贝壳@yeeyan.co
16
简介 介绍一个简单的步进电机
驱动
器方案,原作者公开发布自己的设计,包括原理图、接线、原材料清单。 描述 : Bruce Shapiro找我来搞了个UBW项目(使用USB接口的
驱动
板),以解决他电脑上没有并行接口的问题。UBW的设计远超出我的期望。除了达成最初的设计目标,它同样可以作为其它各种形式的固件的很好的平台。但还是有个 .. [
查看全文
]
uClinux下移植Ne2000兼容的网卡
驱动
程序
2012-06-02
31
我是linux的新手,可以说从来没有在linux下写过程序,对于linux内核也是相当陌生,前一段时间,拿着tpu一个移植好了的uClinux在S3C44B0(ARM7TDMI核的嵌入式处理器)上的版本,把它成功的跑在了我自己的S3C44B0的板子上,这也就算是平生在uClinux下作的第一个工作吧。接下来就是添加网卡
驱动
,我用的是RTL8019AS--比较 .. [
查看全文
]
S3C2410触摸屏
驱动
(2.6内核)分析
2012-06-02
luofuchong
11
s3c2410触摸屏
驱动
驱动
不是很多,在此把它贴出来然后加上必要的注释: #include #include #include #include #include #include #include #include #include #include #include #include #include #include #include /* For ts.dev.id.version */ #define S3C2410TSVERSION0x0101 #define WAIT4INT(x) (((x) #define AUTOPST (S3C2 .. [
查看全文
]
内嵌ARM核的FPGA芯片EPXA10及其在图像
驱动
和处理方...
2012-06-02
13
摘要:介绍了内嵌 ARM核的FPGA芯片EPXA10的主要功能特点、内部结构及工作方式,通过其在图像
驱动
和处理方面的应用,体现了EPXA10逻辑控制实现简单、对大量数据做简单处理速度快以及软件编程灵活的特点。 随着亚微米技术的发展,FPGA芯片密度不断增加,并以强大的并行计算能力和方便灵活的动态可重构性,被广泛地应用于 .. [
查看全文
]
S3C2440 Windows CE的RTC模块
驱动
设计与实现
2012-06-02
田泽 曹庆年
12
1 引言 桌面Windows系统的时间显示功能已为大家所熟知,它是通过BIOS上的时钟模块实现的。用户通过点击桌面系统任务栏右下脚的时间,可以修改当前时间、时区以及实现与Internet时间同步等功能。 目前流行的手机、PDA、HMI(人机接口设备)等嵌入式系统中,都大量移植了微软的Windows CE操作系统。虽然WinCE系统也实现了时 .. [
查看全文
]
10/11
首页
上一页
2
3
4
5
6
7
8
9
10
11
下一页
...末页
推荐文章
热敏电阻温度阻值查询程序
一款常用buffer程序
1602液晶显示模块的应用
GNU C 9条扩展语法
C99语法规则
FreeRTOS 动态内存管理
如何实现STM32F407单片机的 ..
STM32使用中断屏蔽寄存器BA ..
ARM汇编伪指令介绍
单片机硬件系统设计原则
最新文章
如何实现STM32F407单片机的 ..
STM32使用中断屏蔽寄存器BA ..
STM32单片机接收不定长度字 ..
FreeRTOS 动态内存管理
一款常用buffer程序
实时操作系统VxWorks的内核 ..
uC/OS-II内核超时等待机制的 ..
Linux网络接口的源码分析
ucos下lwip应用心得
VxWorks下在线升级技术
热门文章
51单片机LED16*16点阵滚动显示
C99语法规则
FreeRTOS 动态内存管理
ARM9远程图像无线监控系统
用单片机模拟2272软件解码
如何实现STM32F407单片机的 ..
新颖的单片机LED钟
AVR单片机SPI实例
24C64 EEPROM读写的C语言程序
1602液晶显示模块的应用
本站简介
|
意见建议
|
免责声明
|
版权声明
|
联系我们
CopyRight@2024-2039 嵌入式资源网
蜀ICP备2021025729号